
Фильтр
Электропитание БРЭА. Лекция №2. Защита по току, напряжению и фильтрация.
Во время работы устройств с питанием от электросети, из этой самой сети по мимо электропитания, по проводам может поступать помеха. Это может быть синфазная, наведённая одновременно на фазу и на ноль, помеха от грозовых разрядов, от искрения троллейбусных проводов и прочих источников. А может быть и противофазная от щёток электроприборов, импульсных источников питания и т.д. Для недопущения проникновения этих помех в цепи питаемого устройства, на входе таковых устанавливается сетевой фильтр, который в значительной степени ослабляет уровень этих помех. Этот же фильтр выполняет и обратную функцию – не пускает помехи от питаемого устройства в сеть. Помехи эти могут поступать например от импульсных источников питания, щёток электромоторов, симисторных регуляторов и прочих узлов. На рисунке 1 показан фильтр синфазной помехи реализованный на дросселе с двумя обмотками подключенными к сети одной стороной, например началом (обозначено точкой). При таком включении ЭДС помехи(Еп) в верхней обмот
Показать еще
Электропитание БРЭА. Лекция №1 – общие понятия, классификация источников питания и их разновидности.
Приветствую Вас уважаемые подписчики и просто заинтересованные и очарованные электроникой читатели. Сегодня предлагаю Вашему вниманию первую лекцию из нового курса посвящённого электропитанию радиоэлектронных устройств. Сразу хочу отметить, что материал подготовлен не в рамках педагогической деятельности как ранее, а с целью обучения и восполнения пробелов в профессиональных навыках и компетенциях у молодых специалистов поступивших на работу в нашу мастерскую. Поэтому носит максимально прикладной характер, с минимумом теоретических выкладок, формул и расчётов. По факту соответствуя компетенциям уровня ПТУ, даже не техникума. Курс будет поэтапно раскрывать вопросы электропитания бытовой радиоэлектронной аппаратуры (БРЭА) от общих вопросов, с маршрутом "от розетки до дисплея". Рассмотрим формирование питания БРЭА от сетевого предохранителя с фильтром до импульсных источников питания разных типов. Для состоявшихся специалистов материал будет мало интересен, кроме разве что, случая когда н
Показать еще
- Класс
Основные схемы включения диодов в выпрямителях
Причиной написания цикла статей про диоды, их структуру и полупроводники, стали стажеры, принятые на работу в нашей мастерской. И несмотря на то что они входили в пятерку лучших студентов своей группы, в теории и практике применения полупроводников и диодов в частности - у них большие провалы. Поэтому периодически, по мере обострения некоторых технических вопросов, приходится проводить лекции, прям в мастерской, благо материал давно был подготовлен для преподавания в местном колледже и есть некий опыт проведения таких мероприятий. Видео версию этой статьи можно посмотреть по ссылке: Однополупериодный выпрямитель – выпрямитель с использованием только одного полупериода сетевого напряжения, прост в исполнении, требует минимального количества деталей, однако имеет ряд недостатков – большую величину пульсации, одностороннее намагничивание трансформатора, в двое большее обратное напряжение на диоде чем величина выходного напряжения. Что обуславливает её использование в маломощных узлах цепе
Показать еще
Диоды работающие на выпрямительных свойствах. Основные характеристики выпрямительных диодов. Виды пробоев p-n перехода.
В этой статье мы разберём работу диодов, которые используют основное свойство p-n переходов, а именно - одностороннюю проводимость. И да, забегая наперёд скажу - есть масса диодов использующих в своей работе не основные, часто "паразитные" свойства того самого pn перехода. А как образуется pn переход, что такое и какие бывают полупроводники можно узнать из предыдущей статьи серии статей о диодах: Итак к выпрямительным диодам относятся: – это полупроводниковые приборы предназначенные для преобразования переменного тока в постоянный. Так же применяются в умножителях, преобразователях напряжения и прочих применениях не предъявляющих требований по частоте. При этом ключевыми являются параметры величины прямого тока, обратного напряжения и рассеиваемой мощности. Для отвода большого количества тепла, площадь p-n перехода делается относительно большой.
Конструктивно данный вид диодов может быть представлен как в виде дискретных элементов в керамических, пластмассовых или железных корпуса
Показать еще
Полупроводники и их свойства, p-n переход, в общем то что надо знать для понимания работы полупроводниковых приборов...
1.1.1. Полупроводниковые материалы. К полупроводникам относятся вещества, занимающие по величине удельной электрической проводимости промежуточное положение между металлами и диэлектриками. Их удельная электрическая проводимость лежит в пределах от 10-8 до 105 см/м и в отличие от металлов она возрастает с ростом температуры. (Удельные электрические сопротивления 10-2—1010 ом*см). Полупроводники представляют собой достаточно многочисленную группу веществ. К ним относятся химические элементы: германий, кремний, бор, углерод, фосфор, сера, мышьяк, селен, серое олово, теллур, йод, некоторые химические соединения и многие органические вещества. Применяемые в электронике полупроводники имеют весьма совершенную кристаллическую структуру. Их атомы размещены в пространстве в строго периодической последовательности на постоянных расстояниях друг от друга, образуя кристаллическую решетку. Решетка наиболее распространенных в электронике полупроводников - германия и кремния - имеет структуру алмаз
Показать еще
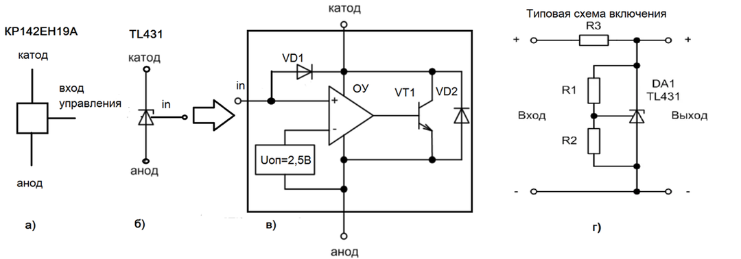
TL431=КР142ЕН19 бессмертная классика схемотехники, но все ли кто с ней сталкивался знают как она работает?
Материал был подготовлен для практической работы студентов, целью которой было освоить работу в различных САПР создания схем устройств и печатных плат по этим схемам. По результату студенты должны были выполнить саму схему в соответствии с ЕСКД и произвести расчёты номиналов схемы. Номиналы и типы элементов для каждого студента были уникальны, и рассчитывались исходя из порядкового номера по списку: Технически КР142ЕН19 и её импортный прототип TL431, называется программируемым шунтирующим регулятором, простыми словами это может быть определено как регулируемый стабилитрон. Давайте рассмотрим его спецификацию и указания по применению. На рис.1а представлено УГО КР142ЕН19 по ГОСТ, но в большинстве схем как на просторах интернета так и в печати, эта микросхема представлена в виде УГО как на рис.1б. Внутреннее устройство КР142ЕН19 показано на рис.1в, а типовая схема включения на рис.1б. Рассмотрим подробней, как работает эта микросхема, на основе её внутреннего устройства, рис.1в. Итак, ми
Показать еще
Лекция №16 РЭТ МДК 01.01 - Транзисторы. Типы и виды. Биполярный, полевой, схемы включения, режимы работы, характеристики...
1. Виды и типы транзисторов На рис. 1 представлены основные разновидности дискретных транзисторов применяемых в современной технике. Исторически первыми были полевые транзисторы с изолированным затвором, но получить сколько либо приемлемые характеристики в то время не представлялось возможным, в первую очередь из за несовершенства технологии очистки материалов и не понимания процессов происходящих в полупроводнике. Далее, 20-е…30-е годы 20-говека, последовали работы над биполярными транзисторами, в германии их называли транзитронами, но из за всеобъемлющего проигрыша по параметрам вакуумным лампам, работы над этими приборами носили эпизодический не системный характер в течении трёх десятков лет.23 декабря 1947 года состоялась презентация действующего макета точечного транзистора. В 1951 году был создан плоскостной транзистор, конструктивно представляющий собой монолитный кристалл полупроводника, и примерно в это же время появились первые транзисторы на основе кремния. Характеристики т
Показать еще
УМЗЧ "падаван" - особенности работы узлов, недостатки и возможные улучшения.
Не так давно, было опубликовано видео где наш учебный усилитель "падаван" был подключен к ИБП, генератору и осциллографу. Там мы увидели ряд осциллограмм поясняющих работу схемы. Но как это часто бывает, раскрыв одни вопросы, мы породили грядку новых. Начало изучения схемы УМЗЧ в статье: В этой статье мы попытаемся "всполоть" эту грядку и так сказать - собрать урожай:) И начнём мы пожалуй с вот этого занимательного факта о первом каскаде усилителя на транзисторе VT1: Мы видим, что осциллограмма 1, снятая с базы транзистора VT1, имеет амплитуду сигнала в 10мВ, что и понятно т.к. это вход а на вход от генератора мы подавали сигнал именно такой амплитуды.
А вот на коллекторе, с выхода первого каскада усилителя, амплитуда сигнала заметно ниже.... и это на первый взгляд очень странно, ведь первый (входной) каскад построен по схеме с общим эмиттером, которая как известно усиливает и по току и по напряжению и по мощности. Давайте разберёмся. Итак по классики науки схемотехники, если бы мы взя
Показать еще
УМЗЧ "Падаван" - лучшая схема для начинающих профессионалов! Позволяет изучить работу, настройку и регулировку усилителей мощности звука.
Кто то может подумать, что название слишком пафосное, мол есть схемы с много более лучшими параметрами, есть которые с меньшим числом элементов, да и вообще много чего есть, почему именно эта? Ответить могу следующее: 1. Схема выполнена в полумостовом исполнении с возможностью регулировки тока покоя, с необходимостью подбора компонентов для регулировки смещения нуля, имеет глубокую ООС и в ней легко прослеживается прохождение сигнала от каскада к каскаду. 2. Эту схему, в усечённом виде для облегчения работы студентов, применяют в некоторых учебных заведениях, как образец для выполнения выпускной работы по практическим навыкам сборки, настройки и регулировки БРЭА. Вот собственно и мне в этой и последующих статьях вместе с видео, хотелось бы подробно рассмотреть работу схемы, назначение её элементов, как её настроить снять параметры по усилению. Посмотреть как влияет изменение питающего напряжения на работу УМЗЧ. Ну и рассмотреть какие в такой схемотехнике есть недостатки и ограничения.
Показать еще
Резисторы часть 1. Что такое резистор в электроннике. Как работет, основные параметры.
Резистор - один из трёх основных пассивных радиоэлементов. На долю этих деталей, приходится до 60% всех элементов большинства электронных схем устройств. В этой статье мы рассмотрим что это за элемент, как работает, как устроен и какие разновидности бывают. На схемах резистор отображают в виде условного графического обозначения (УГО) как на рисунке выше - в виде прямоугольника с выводами. Внутри которого может прописываться мощность резистора, а рядом с ним указывается позиционное обозначение (R...) и номинальное сопротивление. Итак, резистор это пассивный элемент электрических цепей, обладающий определённым или переменным значением электрического активного сопротивления. Для идеального резистора в любой момент времени и при любых величинах и видах токов и напряжений в независимости от внешних факторов, должен соблюдаться закон Ома: мгновенное значение напряжения на резисторе пропорционально току, проходящему через него. На практике же резисторы в той или иной степени обладают так же п
Показать еще
загрузка
Показать ещёНапишите, что Вы ищете, и мы постараемся это найти!
Левая колонка
О группе
Приветствую! Меня зовут Александр, и мне по жизни очень нравится электроника. На канале буду делиться опытом и знаниями полученными во время учебы, работы мастером по ремонту бытовой электроники, преподавателем в колледже радиоэлектроники...
Канал будет не навязчивым, с не частым выходом материалов.
Показать еще
Скрыть информацию