
Левая колонка
Последний визит: 11:30
Фильтр
поделился публикацией
Фильтр присутствия
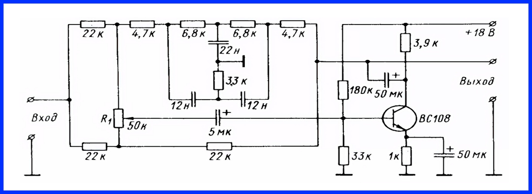
В 90х я собирал эту схему раз пять, внедряя её в музыкальные центры, которые были у меня на тот момент. Эффект интересен тем, что я мог выделять солиста практически из общей музыкальной композиции. Это придавало звучанию разборчивость - голос певца становился отчётливее. Особенно интересно звучали песни на русском языке; полагаю, для слушателей из других стран столь же выразительно будут звучать
Показать еще
5 комментариев
6 раз поделились
34 класса
- Класс
поделился публикацией
Современные зарубежные радиоконструкторы. Простой одно транзисторный FM-передатчик
Добрый день дорогие друзья. Недавно я просматривал предложения от австралийского специализированного радиолюбительского интернет магазина, и мое внимание привлекло предложение о продаже очень простого одно транзисторного FM-передатчика. Меня, конечно же сильно удивляют цены в буржуйских магазинах, и наши доморощенные барыги на их фоне кажутся ангелами, и им есть на кого равняться. Подобные FM-передатчики на AliExpress стоят раз в десять дешевле, с бесплатной доставкой. Но тема этой статьи не обсуждение цен австралийского интернет магазина, а подробное рассмотрение этого передатчика, чтобы его при желании, могли повторить большинство моих читателей, включая начинающих и малоопытных радиолюбителей. Рассматриваемый нами FM-передатчик можно использовать для передачи голоса или звука на FM-радиоприемник двумя способами: 1. 1. Передача звука с помощью электретного микрофона. Можно разместить FM-передатчик рядом с любым
Показать еще
0 комментариев
1 раз поделились
24 класса
- Класс
На этом пока всё
Войдите в ОК, чтобы посмотреть всю ленту
42
90
- Юность.Ru264 подписчика
- Внимание, знатоки!3743 подписчика
- МУЗЫКАЛЬНЫЙ КЛУБ ,,ВЕСНА"28445 подписчиков
- TDM Lab45 подписчиков

