
Фильтр
«РАСКО Газэлектроника»: Интеграция корректоров ЕК270 и ТС220 с ЕПУ СТМ на платформе «ИУСЦИФРА»
ООО «РАСКО Газэлектроника» совместно с ООО «Газпром межрегионгаз инжиниринг» успешно провели работы по интеграции электронных корректоров объема газа ЕК270 (с модулем телеметрии МТЭК-02) и ТС220 (с модулем телеметрии МТЭК-03) с ЕПУ СТМ на платформе «ИУСЦИФРА» производства ООО «Газпром межрегионгаз инжиниринг». Для оценки работ по интеграции были
проведены испытания в объеме утвержденных программ и методик испытаний.
По результатам успешно прошедших испытаний были оформлены
соответствующие Акты. В подписанном 1 февраля 2026 г. актах испытаний интеграции счетчиков газа ЕК270 (с модулем телеметрии МТЭК-02) и ТС220 (с модулем телеметрии МТЭК-03) с ЕПУ СТМ на платформе «ИУСЦИФРА» производства ООО «Газпром межрегионгаз инжиниринг» в заключении отмечено, что результаты испытаний интеграции счетчиков газа ЕК270 (с модулем телеметрии МТЭК-02) и ТС220 (с модулем телеметрии МТЭК-03)
с ЕПУ СТМ на платформе «ИУСЦИФРА» производства ООО «Газпром
межрегионгаз инжиниринг» выполнены в полном объеме
Показать еще
- Класс
Бытовые диафрагменные счетчики газа ВК
Диафрагменные счетчики газа, несмотря на весьма почтенный возраст (первые появились более 100 лет назад) и разработку целого ряда новых методов измерения, основанных на достижениях современной электроники и сенсорики, были и, на обозримую перспективу, остаются наиболее востребованными приборами учета газа в быту и коммунальной сфере. Это определяется их уникально высокой метрологической надежностью в реальных условиях эксплуатации в течение всего срока их службы в сочетании с низкой стоимостью в условиях развернутого крупносерийного и даже массового производства: ведущие мировые производители изготавливают приборы указанного типа в количестве сотен тысяч и даже миллионов штук в год. Одними из первых на российский рынок в данном сегменте были выпущены диафрагменные счетчики ВК производства ООО «РАСКО Газэлектроника» (до 2004 г. наименование компании ООО «Газэлектроника», с 2004 г. по 2022 г. наименование компании ООО «ЭЛЬСТЕР Газэлектроника», а с 2022 года – ООО «РАСКО Газэлектроника»)
Показать еще
- Класс
СГ16МТ, СГ16МТ-Р, СГ75МТ, СГ 16мт, СГ-16 счетчики газа турбинные (сг16 счетчик газа)
Уважаемые партнеры и клиенты! Сообщаем об уникальной возможности: газовые счетчики СГ16МТ производства АО «Арзамасский приборостроительный завод им. П. И. Пландина» (АО «АПЗ») в наличии на нашем складе по привлекательным ценам. В ассортименте – все типоразмеры! Расширяя складские запасы оборудования, наша компания предлагает своим клиентам газовые счетчики СГ16МТ производства АО «Арзамасский приборостроительный завод им. П. И. Пландина им. П. И. Пландина» (АО «АПЗ»). На нашем складе в г. Москва доступна полная линейка и все типоразмеры данных счетчиков газа. Оборудование отличается высокой надежностью и точностью измерений, что подтверждено статусом завода-изготовителя АО «АПЗ», как одного из ведущих приборостроительных предприятий. В настоящий момент действуют специальные ценовые предложения! Количество приборов в наличии ограничено. Для гарантированного заказа оборудования и уточнения подробных условий рекомендуем обращаться к специалистам отдела «Измерительной техники» нашей компани
Показать еще
- Класс
Сокращение сроков поставки счетчиков газа РГ-Р (ротационные), РГ-Т (турбинные) и комплексов учёта газа СГ-ЭК «РАСКО Газэлектроника»
Доводим до Вашего сведения, что ведущим предприятием по производству газоизмерительного оборудования ООО «РАСКО Газэлектроника» значительно сокращены сроки отгрузки ротационных счетчиков газа РГ-Р, турбинных счетчиков газа РГ-Т и комплексов учёта газа СГ-ЭК. Благодаря проведению комплексной
оптимизации бизнес-процессов, повышению эффективности логистических
цепочек, усовершенствованию производственных линий и внедрению
lean-технологий и, соответственно, существенному сокращению цикла
изготовления продукции завод теперь имеет возможность отгружать
продукцию в рекордно короткие сроки: Это не просто «ускорение», это результат
планомерной работы слаженной команды компании по повышению гибкости
производства с целью максимально оперативного реагирования на запросы
потребителей. Напоминаем, что вся продукция предприятия соответствует требованиям СТО Газпром 2.4-13-1-2025 и имеет все необходимые сертификаты. По всем вопросам заказа продукции завода ООО «РАСКО Газэлектроника» Вы можете
Показать еще
- Класс
Счетчики газа РГ-Р и РГ-Т завода «РАСКО Газэлектроника» включены в Реестр российской промышленной продукции Минпромторга
С гордостью сообщаем о важном для компании ООО «РАСКО Газэлектроника» и всей отрасли событии. Основные типоразмеры современных счетчиков газа РГ-Р (ротационные) и РГ-Т (турбинные) производства завода «РАСКО Газэлектроника» успешно внесены в Реестр российской промышленной продукции (Реестр) Министерства промышленности и торговли Российской Федерации. Данный шаг официально подтверждает статус счетчиков РГ-Р и РГ-Т как приборов, производимых на территории России в соответствии с требованиями Постановления Правительства РФ № 719 от 17.07.2015, и является знаком высочайшего качества и надежности данной продукции. • Приоритет для государственных и муниципальных закупок. Приборы, включенные в Реестр, получают преимущественное право участия в закупках для государственных и муниципальных нужд. • Доказанное отечественное происхождение. Производство основных типоразмеров счетчиков газа РГ-Р и РГ-Т соответствует установленным критериям отнесения продукции к произведенной в Российской Федерации, и
Показать еще
- Класс
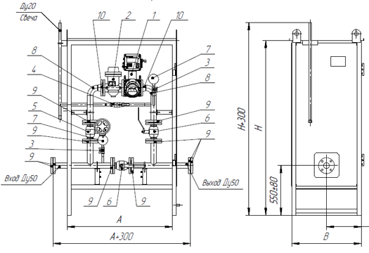
«РАСКО Газэлектроника» предлагает готовый каталог "Типовые технические решения ПУГ"
В настоящее время ООО «РАСКО Газэлектроника»,
являясь ведущим производителем контрольно-измерительных приборов,
предлагает полный спектр газоизмерительного оборудования для
коммерческого и технологического учета количества газа. Для простоты и удобства проектирования ООО «РАСКО Газэлектроника» подготовило "Альбом
типовых технических решений на шкафные пункты учета газа ПУГ-Ш
DN50–DN200 с измерительными комплексами СГ-ЭК на базе ротационных
счетчиков газа РГ-Р". >> Скачать альбом >> Альбом включает каталог технических решений в формате .PDF и чертежи в формате .CDW (САПР КОМПАС 3D). Напоминаем, что наша компания ООО «НПФ «РАСКО» является единственным участником и Генеральным дилером данного ведущего российского производителя приборов учета газа ООО «РАСКО Газэлектроника». По всем вопросам заказа продукции завода ООО «РАСКО Газэлектроника» Вы можете обращаться в отдел «Измерительной техники» нашей компании по тел: +7 (495) 970-16-83; +7 (499) 959-16-83 (многоканальные), доб. 122, 1
Показать еще
- Класс
НПФ «РАСКО» №1 в рейтинге дилеров СП «ТЕРМОБРЕСТ» по итогам 2025 года
Арматурным заводом СП «ТЕРМОБРЕСТ» подведены традиционные результаты работы дилеров по итогам 2025 года (исходя из объемов реализации продукции). Наша компания ООО «НПФ «РАСКО» продолжает занимать 1-е место в данном рейтинге (с сайта https://termobrest.ru/dealers_text_page/)! Искренне благодарим наших партнеров за неизменное доверие нашей компании, благодаря которому ООО «НПФ «РАСКО» уже более 20 лет удерживает лидерство в рейтинге дилеров СП «ТЕРМОБРЕСТ». Спасибо за оценку качества нашей работы! Потребителям продукции СП «ТермоБрест» ООО наша компания по-прежнему гарантирует: Надеемся на дальнейшее расширение деловых контактов и приглашаем новых партнеров оценить преимущества работы с нашей компанией по всей номенклатуре поставляемой продукции! Специалисты ООО «НПФ «РАСКО» по продукции СП «ТермоБрест» ООО: +7 (495) 970-16-83; +7 (499) 959-16-83 (многоканальныe), доб. 116, 113, 119, 702 E-mail: info@packo.ru
Показать еще
- Класс
«РАСКО Газэлектроника»: Счетчики газа РГ-Р, РГ-Т, RABO, RVG: cоответствие требованиям СТО Газпром 2.4-13-1-2025
С целью определения общих для организаций Группы Газпром межрегионгаз подходов к проектированию УИРГ, упрощению процедуры выбора и согласования технических решений при организации учета газа, а также снижению затрат на строительство, эксплуатацию и обслуживание УИРГ разработан и утвержден Распоряжением ООО «Газпром межрегионгаз» от 10.06.2025 №81-Р/44 СТО Газпром газораспределение 2.4-13-1-2025 «Проектирование, строительство и эксплуатация объектов газораспределения и газопотребления. Узлы измерений расхода газа. Общие технические условия». Поскольку данное СТО содержит обновлённые требования, касающиеся погрешности измерений объемного расхода газа (Таблица 1, п.6.1), которых не было ранее, ООО «РАСКО Газэлектроника» провело работы по приведению выпускаемых счетчиков газа РГ-Р, РГ-Т, RABO, RVG в соответствие с данными требованиями. Изменения были внесены в описания типа на: Счетчики газа ротационные РГ-Р, Регистрационный № 88140-23 (Приказ № 2533 от 20.11.2025г.) Счетчики газа турбин
Показать еще
- Класс
Семинар: «Комплексный подход к учету газа и передаче данных. Газоизмерительное оборудование для цифровизации и учета поставок газа».
10 декабря 2025 года в городе Казань состоялся ежегодный научно-технический семинар на тему: «Комплексный подход к учету газа и передаче данных. Газоизмерительное оборудование для цифровизации и учета поставок газа». Организаторами семинара выступили региональная компания по реализации газа АО «Газпром межрегионгаз Казань», ООО «Раско Газэлектроника», Группа компаний «РАСКО», а также технологический партнер ООО «АКСИТЕХ» и компания региональный дилер в Республике Татарстан ООО «НМОП». Традиционно семинар привлек высокий интерес проектных организаций, а также гостями мероприятия стали представители ООО «Газпром трансгаз Казань» и ООО «Газпром газораспределение Йошкар-Ола». На семинаре участники поднимали актуальные вопросы оснащения объектов
промышленных и коммунально-бытовых потребителей современным газоизмериетльным оборудованием, системами телеметрии и счетчиками газа,
а также модернизации УИРГ промышленных потребителей и обсуждали замену
устаревших приборов учета. Одним из о
Показать еще
- Класс
загрузка
Показать ещёНапишите, что Вы ищете, и мы постараемся это найти!
Левая колонка
О группе
ООО «НПФ «РАСКО» основано в 1994 году с целью комплексного решения вопросов оснащения предприятий различных отраслей промышленности современным газовым оборудованием, приборами теплотехнического контроля и регулирующим оборудованием.
Показать еще
Скрыть информацию

